
應用:
DT3M8080是三相產品,相比兩相步進驅動器,三相產品具有更平滑的電機輸出表現,噪音和振動也會有更顯著的改善,性價比高,適用于雕刻機,點膠機等行業。
特性:
? 輸入電壓:24-75VDC
? 輸出相電流:7.8A
? 3個數字輸入口:脈沖/方向/使能信號, 5-24VDC, 光電隔離
? 8檔細分, 撥碼開關選擇
? 8檔電流, 撥碼開關選擇
? 旋鈕開關選擇電機參數以配合DSP算法, 使電機性能最優化
? 自動減流功能:50%或90%, 撥碼開關選擇
? 1個數字輸出口:報錯信號輸出
? 自檢功能
? 保護:過壓, 欠壓, 過流, 電機開路檢測


端口與接地:
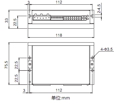
機械尺寸:


電話:0755-25796858
傳真:0755-25796696
郵箱:sales@dt-me.com
地址:廣東省深圳市南山區西麗街道麻磡社區麻磡路18號工業區8棟5樓
華中辦事處:童仁青 18975332020
地址:湖南省長沙縣星沙大道39號財富港灣1棟2單元1613號
華東辦事處:朱興科 18128820282
地址:江蘇省蘇州市昆山市昆山開發區四季華城32棟2單元1503
![]() |
![]() |
|
| 微信掃一掃 | 手機掃一掃 |
13332976238
13088821218
18975332020
18615652751
18128820282
外貿客服
18926576949